

產品中心

1、概述:
CWZ系列艦船用小型軸流通風機(以下簡稱“通風機”)可適用于各種軍船與民船上的廚房、廁所、艙壁、公共場所、會議室等通風換氣,也可適用于其它適當的場合。
2、特點:
通風機采用變環(huán)量法設計。根據通風機的參數選取合理的變環(huán)量系數,合理分配葉片各個截面上的特性速度和長度等,通風機具有噪聲低、尺寸小、重量輕、性能穩(wěn)定等特點。
通風機在設計和制造過程中充分考慮到艦船用的特殊條件要求:葉輪經過嚴格的動平衡校正、超速試驗,故通風機具有耐蝕性好、抗搖擺、抗沖擊、振動小、運轉平穩(wěn)和安全可靠等特點。
通風機適用于380V/220V,50Hz或440V/220V,60Hz的場所。
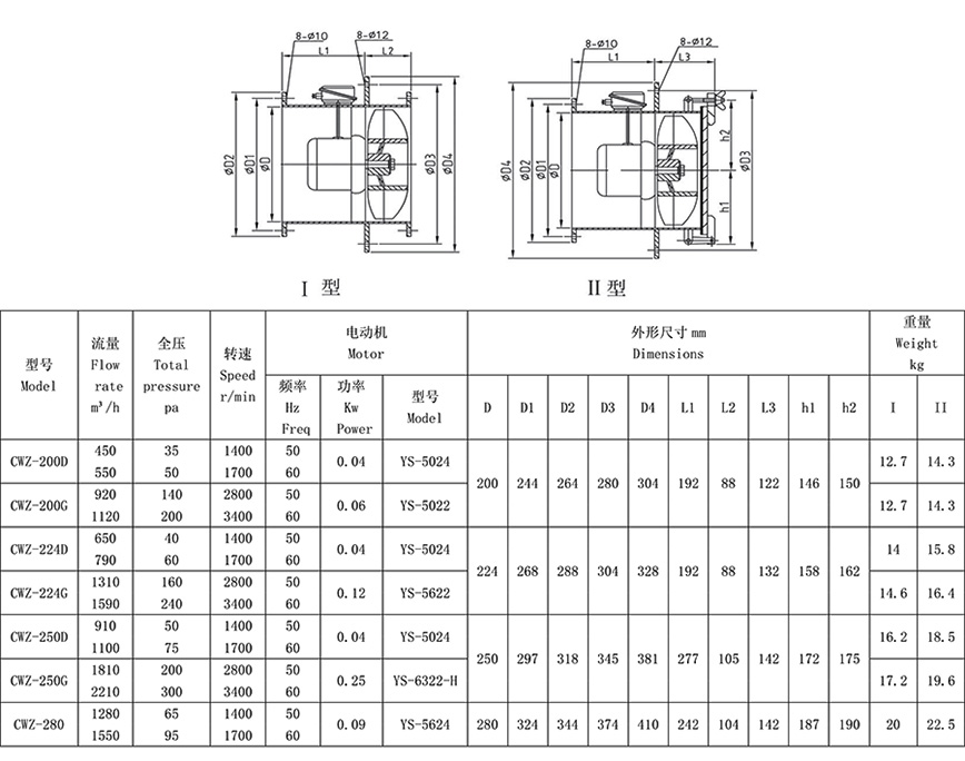
3、結構型式:
通風機可分為Ⅰ型管道式、Ⅱ型您窗式兩種結構:
Ⅰ型管道式可直接用于短管道或安裝在艙壁上通風機。
Ⅱ型旅窗式可固定裝于旅窗和艙壁上,由于有水密封裝置,可方便地開啟,關閉以防海水、雨水進入。
4、通風機適用條件
通風機可以在以下條件長期正常地工作:
環(huán)境溫度:-25℃+55℃(+50℃):
******相對濕度:95%;
橫搖:±45°(周期8~12S);
縱搖:15°(周期57S):
橫傾:±15°;
縱傾:士10°;
振動:有;
沖擊;有。
5、型號說明:

